Potrebujete pomoč?
Sledite nam
Vpišite vaš e-naslov in geslo:
Nov uporabnik? Naredite račun
Izgubljeno geslo? Pridobite novo geslo
Vpišite vašo e-pošto :
Ste si zapomnili svoje geslo? Nazaj na prijavo
Hitro in varno nakupovanje
Brezplačna dostava po Sloveniji nad 100eur
Možnost vračila v 14 dneh
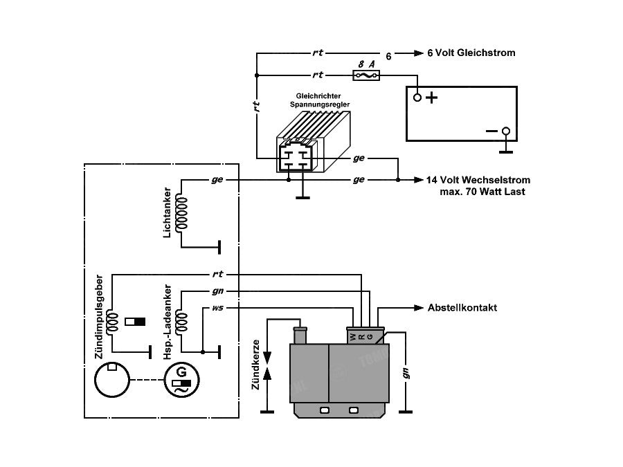
Regulator napetosti napetosti 12V Tomos
Zelo dobro
Plašč VRM 174 2.5 x 18
hitra dostava, skratka vse bp
TOMOS ŠOBA NASTAVLJIVA UNIVERZALNA BING A3 88A85/103
...
Objemka pipce goriva 12-20 mm
Odlično Kšnu sponzorstvu zrihtat😂 tt: JODLAR
Vse OK
ok
Mini kolo za trak do 16mm
Zelo zadovoljen
Cev sesalna za Tomos Hip Hop, YOUNGSTR, ALPINO (233721)
Ugodno, hitra dobava
Magnetno zapiralo za balkonska vrata
Bovden plina za Tomos Apn 4, Apn 6, 14TL
ZELO ZADOVOLJEN
Brezplačna dostava nad 100eur
Za naročila nad 100eur vam poštne stroške podarimo
Možnost vračila izdelkov v roku 14 dneh brez vprašanja
Pomoč uporabnikom
Prizadevamo si, da hitro odgovorimo na vsa vaša vprašnja