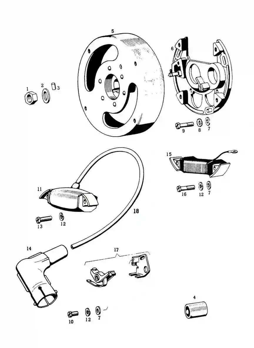
Električna oprema
New customer? Create your account
Lost password? Recover password
Remembered your password?
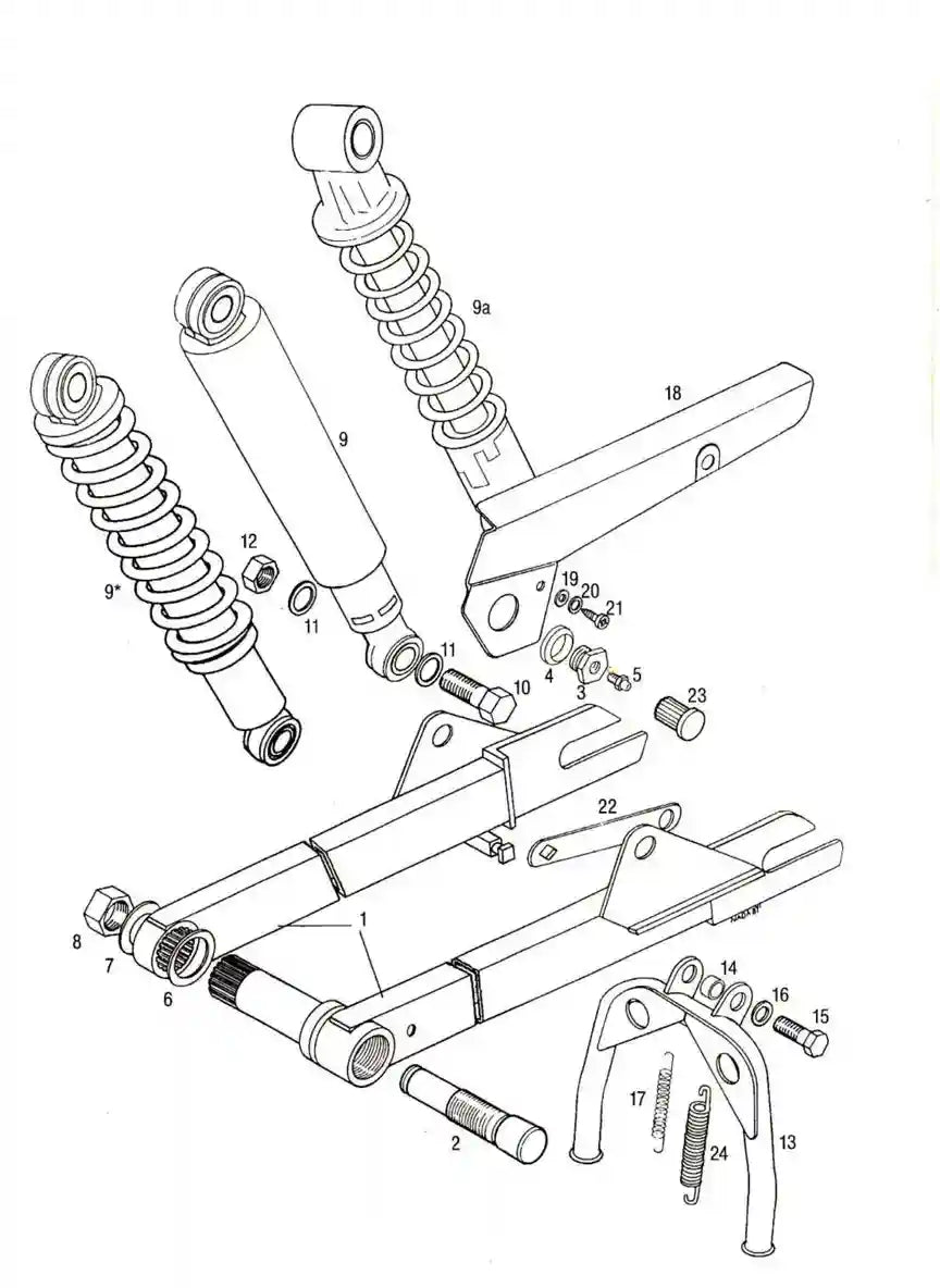
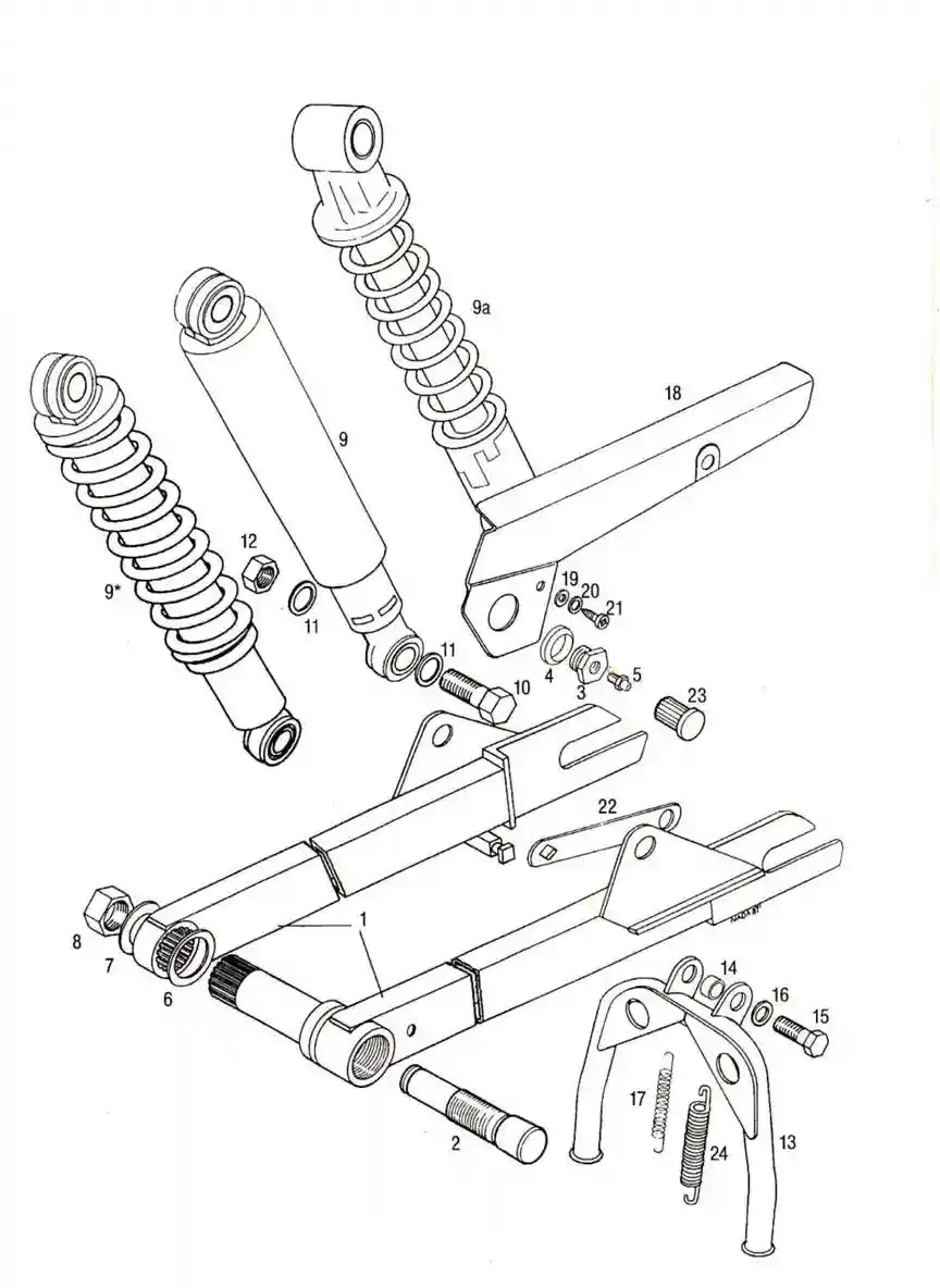
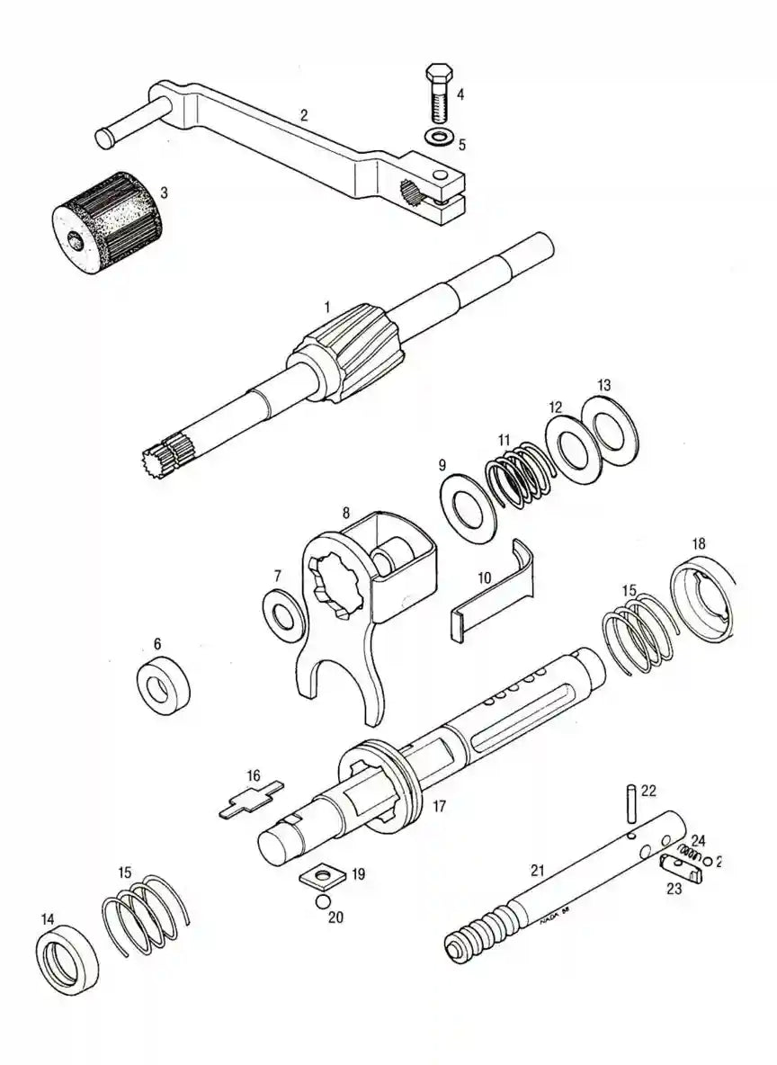
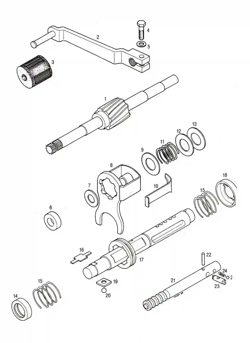
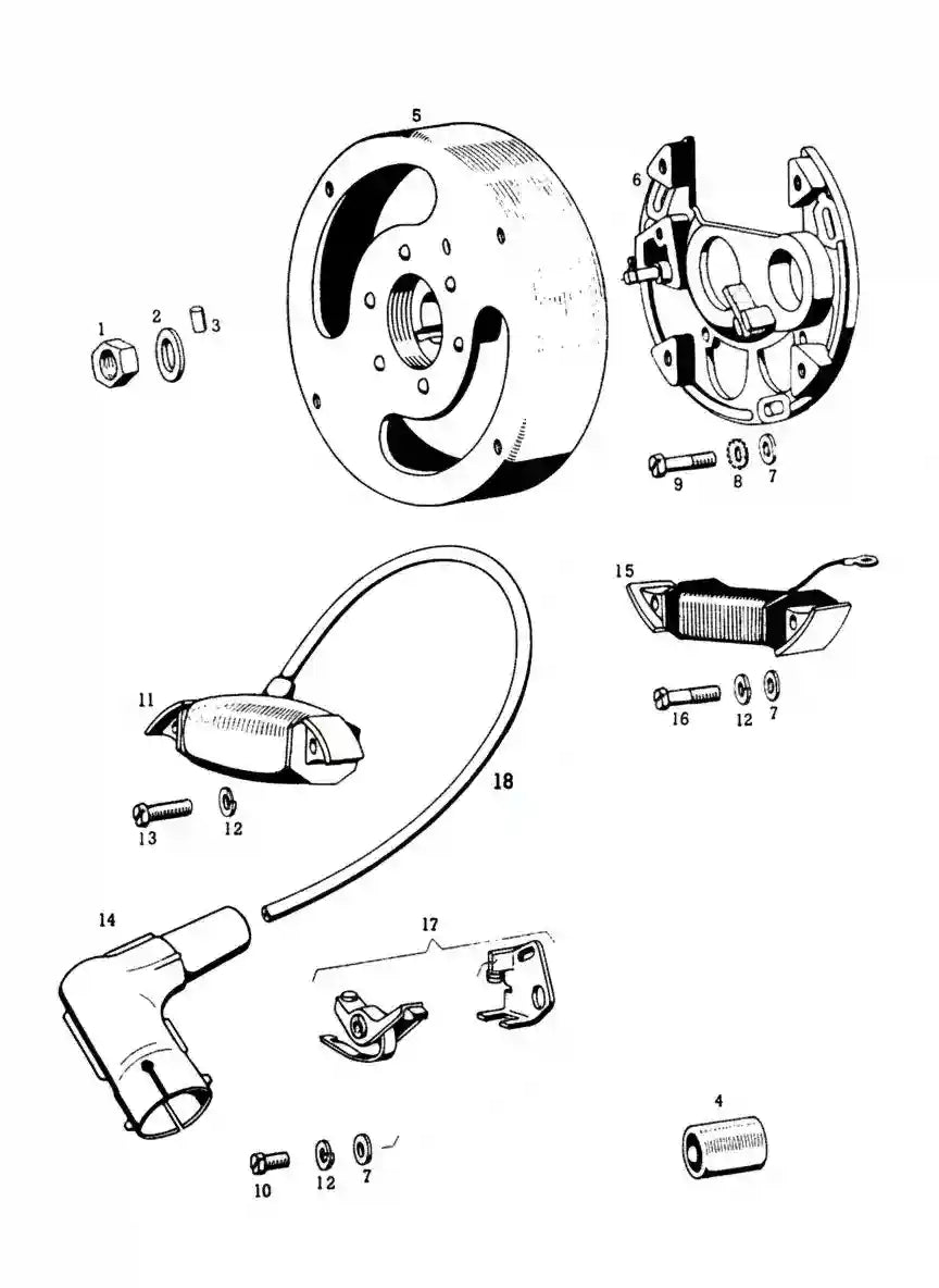
Shema je zgolj informativna – motorji in rezervni deli se lahko razlikujejo. Pred naročilom vedno preverite na svojem motorju. Če imate vprašanja, smo vam z veseljem na voljo.
Brezplačna dostava nad 100eur
Za naročila nad 100eur vam poštne stroške podarimo
Možnost vračila v 14 dneh
Možnost vračila izdelkov v roku 14 dneh brez vprašanja
Pomoč uporabnikom
Prizadevamo si, da hitro odgovorimo na vsa vaša vprašnja
